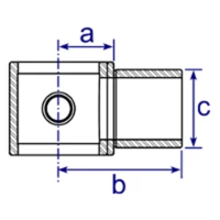
147 - Raccord en Té interne

Description

Un raccord polyvalent, souvent utilisé sur les pentes et les escaliers où l'angle soit varie ou est inconnue, et / ou où il y a une exigence de rails pour être décalée de montants.

Voir les caractéristiques >>

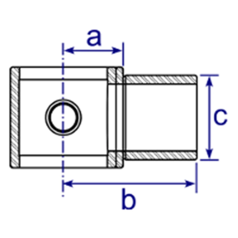
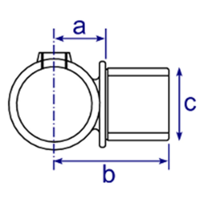
Dimensions disponibles

Indice Disponibilité Diamètre
en mm
a
en mm
b
en mm
Poids
en kg
Code
B34 10j env.
34.70
22.00
60.00
0.32
C42 10j env.
42.40
26.00
62.50
0.46
D48 10j env.
48.30
30.00
72.50
0.56
  • Art./page (3 articles)

Caractéristiques du produit

Revêtement

Galvanisé à chaud

Informations

Le plus souvent utilisé avec des types 101 et 125 pour monter des rails inclinés sur des poteaux verticaux. Le tube ne peut pas être joint dans le raccord.