Description

Profilé pour la construction

Voir les caractéristiques >>

Dimensions disponibles

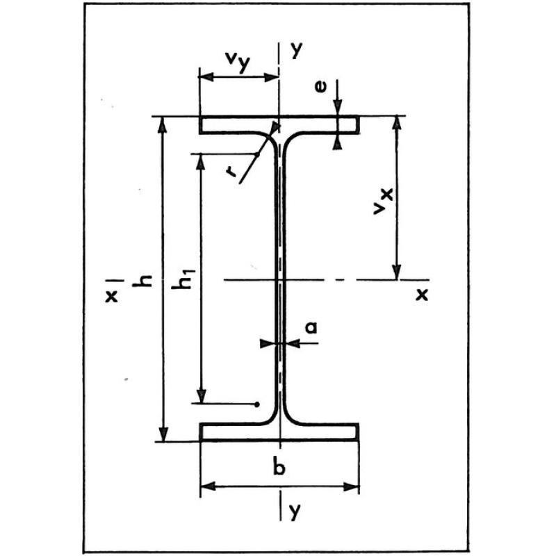
Hauteur
en mm
Largeur
en mm
Poids métrique
en kg/m
Egalement dispo en Code
80
46
6.20
  16110
100
55
8.30
Galva 16120
120
64
10.70
Galva 16130
140
73
13.30
Galva 16140
160
82
15.80
  16150
180
91
18.80
  16160
200
100
22.40
  16170
220
110
26.20
  16180
240
120
30.70
  16190
270
135
36.10
  16200
Hauteur
en mm
Largeur
en mm
Poids métrique
en kg/m
Egalement dispo en Code
300
150
42.20
  16210
330
160
49.10
  16220
360
170
57.10
  16230
400
180
68.30
  16240
450
190
77.60
  16250
500
200
90.70
  16260
  • Art./page (16 articles)

Caractéristiques du produit

Nuance

S235JR et S275JR suivant EN 10025.
Possibilités en S355 sur délai.

Longueurs

A vos longueurs jusque 16m.
Coupes droites et biaises.
Perçage.